TOYOTA TERCEL EL31L-ZHHRSK / ELECTRICAL / HEATING AIR CONDITIONING COOLER UNIT

Toyota Land Cruiser genuine parts

Toyota - LEXUS genuine parts

HEATING AIR CONDITIONING COOLER UNIT

(8808- )CND

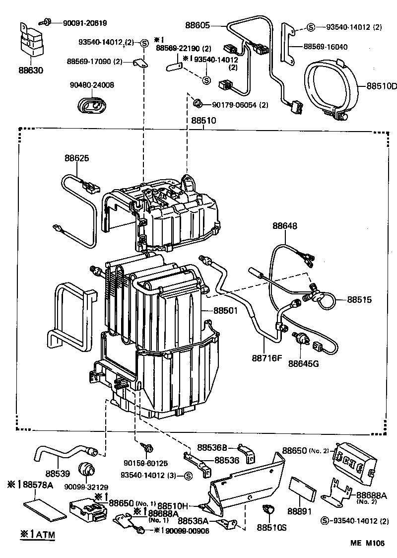
 TERCEL |  HEATING AIR CONDITIONING COOLER UNIT 88501 - EVAPORATOR SUB-ASSY, COOLER, NO.1 88510 - UNIT ASSY, COOLER 88510D - CLAMP, COOLER UNIT 88510H - PLATE, COOLER UNIT, NO.1 88510S - CLIP (FOR COOLER UNIT COVER) 88515 - VALVE, COOLER EXPANSION 88536 - BRACKET, COOLING UNIT, NO.1 88536A - BRACKET, COOLING UNIT, NO.2 88536B - BRACKET, COOLING UNIT, NO.3 88539 - HOSE, COOLER UNIT DRAIN, NO.1  ** Std Part  ** Std Part  ** Std Part 88578A - PACKING, COOLER STABILIZER AMPLIFIER 88605 - HARNESS SUB-ASSY, COOLER WIRING, NO.1 88625 - THERMISTOR, COOLER, NO.1 88630 - RELAY ASSY, COOLER 88645G - SWITCH, PRESSURE 88648 - WIRING, COOLER, NO.1 88650 - AMPLIFIER ASSY, COOLER STABILIZER 88650 - AMPLIFIER ASSY, COOLER STABILIZER 88688A - BRACKET, COOLER STABILIZER AMPLIFIER 88688A - BRACKET, COOLER STABILIZER AMPLIFIER 88716F - PIPE, COOLER REFRIGERANT LIQUID, F 88891 - PACKING (FOR COOLER)  ** Std Part  ** Std Part  ** Std Part  ** Std Part  ** Std Part  ** Std Part  ** Std Part  ** Std Part  ** Std Part  ** Std Part  ** Std Part

Register

Nick (login)
Password
Full name
eMail
Phone
Country

Login

Nick (login)
Password