05/2001-01/2006
フロント ILLUST NO. 1 OF 3(0105-0308)
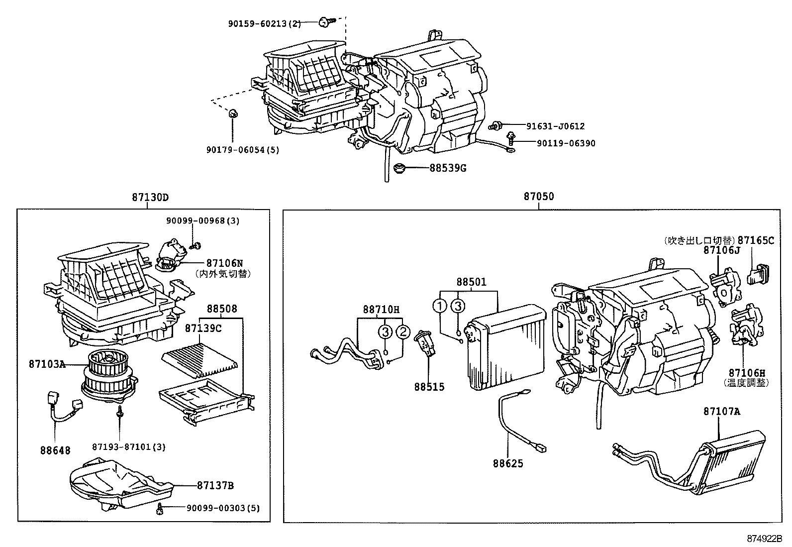
87193-871018719387101
90099-003039009900303
90099-009689009900968
90119-063909011906390
90159-602139015960213
90179-060549017906054
91631-J061291631J0612