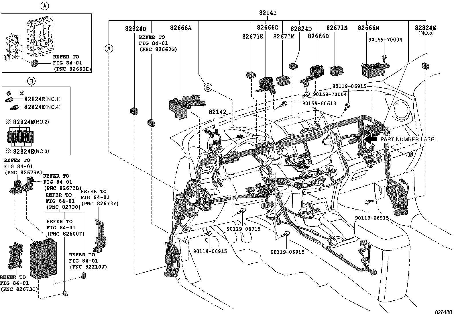
TOYOTA RAV4 ACA33L-ANPGKV / ELECTRICAL / WIRING CLAMP

Toyota Land Cruiser genuine parts

Toyota - LEXUS genuine parts

WIRING CLAMP

INSTRUMENT PANEL - CHINA SPEC ILLUST NO. 3 OF10(0808-0812)G..GCC

 RAV4 |  WIRING CLAMP 82141 - WIRE, INSTRUMENT PANEL 82142 - WIRE, INSTRUMENT PANEL, NO.2 82666A - HOLDER, CONNECTOR NO.2 82666C - HOLDER, CONNECTOR NO.4 82666D - HOLDER, CONNECTOR NO.5 82666N - HOLDER, CONNECTOR NO.10 82671K - BLOCK, JUNCTION, NO.3 82671M - BLOCK, JUNCTION, NO.5 82671N - BLOCK, JUNCTION, NO.6 82824D - CONNECTOR, WIRING HARNESS 82824D - CONNECTOR, WIRING HARNESS 82824E - CONNECTOR, WIRING HARNESS 82824E - CONNECTOR, WIRING HARNESS 82824E - CONNECTOR, WIRING HARNESS 82824E - CONNECTOR, WIRING HARNESS 82824E - CONNECTOR, WIRING HARNESS ** Refer Fig ** Refer Fig ** Refer Fig ** Refer Fig ** Refer Fig ** Refer Fig ** Refer Fig ** Refer Fig ** Refer Fig  ** Std Part  ** Std Part  ** Std Part  ** Std Part  ** Std Part  ** Std Part  ** Std Part  ** Std Part

Register

Nick (login)
Password
Full name
eMail
Phone
Country

Login

Nick (login)
Password