TOYOTA PREVIA AHR20R-GFXDB / ELECTRICAL / BATTERY BATTERY CABLE

Toyota Land Cruiser genuine parts

Toyota - LEXUS genuine parts

BATTERY BATTERY CABLE

HV BATTERY ILLUST NO. 3 OF 3(1304- )

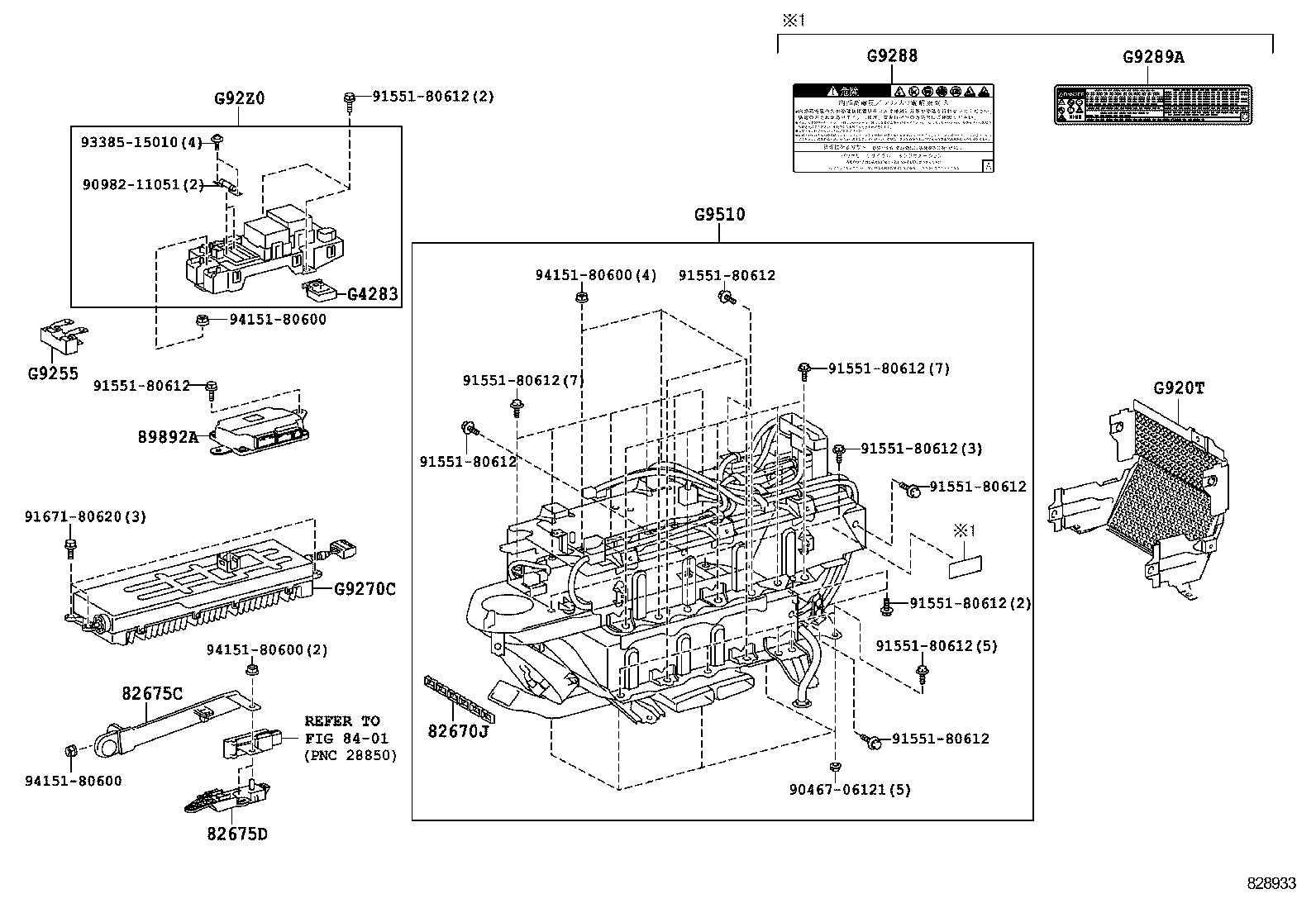
 PREVIA |  BATTERY BATTERY CABLE 82670J - BLOCK ASSY, JUNCTION 82675C - TERMINAL, JUNCTION 82675D - TERMINAL, JUNCTION ** Refer Fig 89892A - SENSOR, BATTERY VOLTAGE  ** Std Part  ** Std Part  ** Std Part  ** Std Part  ** Std Part  ** Std Part  ** Std Part  ** Std Part  ** Std Part  ** Std Part  ** Std Part  ** Std Part  ** Std Part  ** Std Part  ** Std Part  ** Std Part  ** Std Part  ** Std Part  ** Std Part G4283 - SENSOR, BATTERY CURRENT G920T - SHIELD, HYBRID BATTERY W/LABEL, REAR G9255 - CAPACITOR, FILTER NOISE G9270C - CONVERTER, HYBRID VEHICLE G9288 - LABEL, BATTERY CHARGING NOTICE G9289A - LABEL, BATTERY CAUTION G92Z0 - BLOCK ASSY, HYBRID BATTERY JUNCTION G9510 - BATTERY ASSY, HV SUPPLY

Register

Nick (login)
Password
Full name
eMail
Phone
Country

Login

Nick (login)
Password